Engineering Services
End-to-end automation solutions tailored to your process requirements
Our engineering services provide end-to-end automation solutions tailored to your process requirements. With our Partners we integrate mechanical, electrical, and software engineering to deliver systems that are reliable, efficient, scalable, and environmentally responsible.
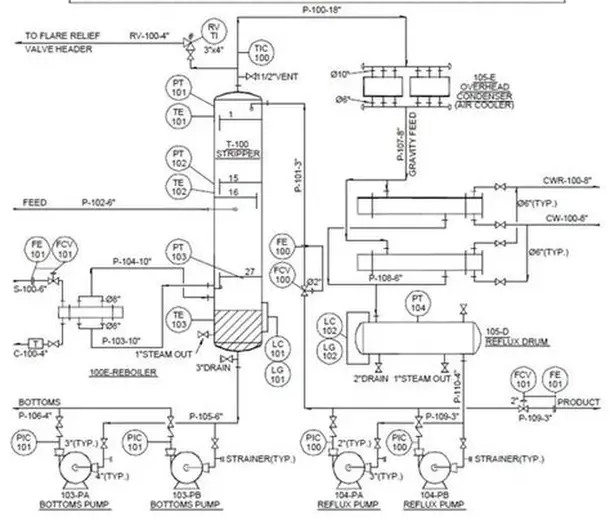
Image Certified to be Used for illustration purposes only
Development Services
- Concept design and feasibility studies for small scale to large scale processes
- Process optimisation for maximum efficiency
- With our partners we custom designs to meet process, safety, and regulatory requirements
- Remote monitoring and control development
Programming Logic Controller (PLC)
- Custom programming for fully automated operations
- Precise control of process variables: flow, pressure, temperature, mixing, etc.
- Integration with sensors, actuators, and instrumentation
SCADA & HMI
- Real-time monitoring, visualisation, and data logging
- Alarm management, tracking events, and runtime data
- User-friendly interfaces for operators and engineers
Commissioning and Start-up Support
- On-site installation, calibration, and system validation.
- Operator training, and documentation.
- Post-commissioning support for optimised system performance.
Key Features
Custom Programming
Custom programming for fully automated operations tailored to process requirements.
Precise Control
Precise control of critical process variables including flow, pressure, temperature, mixing, level, and more.
Full Integration
Full integration with sensors, actuators, and instrumentation, enabling real-time monitoring and responsive control.
Seamless Automation
Integration of external systems and devices, including fieldbus modules and third-party components, directly into the PLC architecture for unified and seamless automation.
Ready to Discuss Your Project?
Contact us to learn how we can help with your automation needs.
Get in Touch